Zámok dverí priemyselnej skrineje kľúčovým ochranným komponentom rozvodnej skrine, komunikačnej skrine, riadiacej skrinky a ďalších zariadení, ktoré priamo súvisia s bezpečnosťou vnútorných elektrických komponentov a stabilnou prevádzkou systému.
Aby sme splnili rôznorodé požiadavky na dodaciu dobu a špecifikácie pre rôzne projekty, naša spoločnosť má na sklade vždy päť typov bežne používaných zámkov --Dlhý barový zámok, Zámok panela, Zámok ovládania tyče, Zámok rukoväte,Rotačný jazykový zámok. Zároveň podporujeme akýkoľvek neštandardný zámok prispôsobený podľa výkresov alebo vzoriek, ktorý je dokonale vhodný pre všetky druhy kovových rozvodných boxov.
Rovinný zámok je jedným z najbežnejších typov zámkov dverí priemyselných skriniek, je krásny a ľahko sa udržiava. Naša spoločnosť uviedla na trh rovinný zámok série AB301, AB302, AB303, AB402, AB403, pokiaľ ide o štrukturálnu pevnosť, ochranný výkon a prevádzkový pocit diferencovaného dizajnu, môže spĺňať rôzne špecifikácie rozvodnej skrine, požiadavky na inštaláciu riadiacej skrine.
| Rozmery | Číslo produktu | |||||||
| L1 | L2 | L3 | B1 | B2 | Sivé chrómovanie | Šedá farba v spreji | Čierna prášková farba | Hmotnosť (g) |
| 147 | 117 | 72 | 33 | 26.5 | AB301-1-1.2 | AB301-1-1.8 | AB301 | 370 |
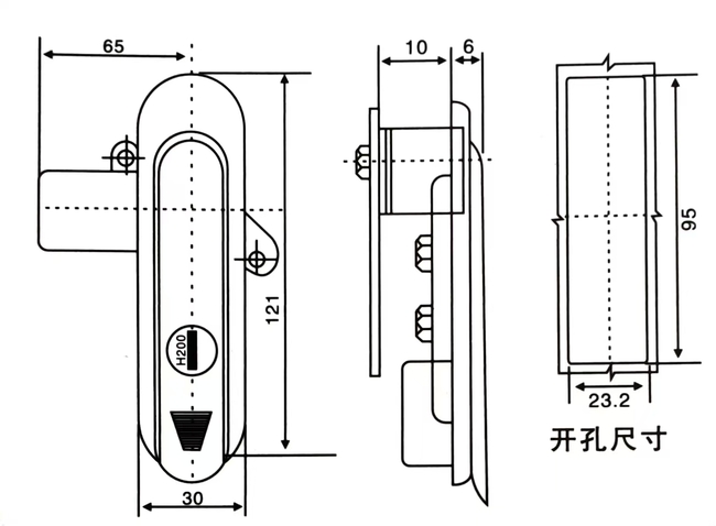
| 120.5 | 95.5 | 65 | 30 | 23.5 | AB301-2-1.2 | AB301-2-1.8 | AB302 | 290 |
| 87.5 | 62.5 | 65 | 28.5 | 23.5 | AB301-3-1.2 | AB301-3-1.8 | AB303 | 215 |
Hlavný materiál: zliatina zinku.
Povrchová úprava: svetlý chróm, matná, čierna.
Funkcia a použitie: Realizujte ľavé a pravé otváranie dverí, jednoduché použitie, s tesniacou a vodotesnou funkciou.
Hlavný materiál: zliatina zinku.
Povrchová úprava: svetlý chróm, matná, čierna.
Funkcia a použitie: Realizujte ľavé a pravé otváranie dverí, jednoduché použitie, s tesniacou a vodotesnou funkciou.
Materiál: telo zámku zo zliatiny zinku, otočný hriadeľ, skrutka z pozinkovanej ocele, prítlačná doska.
Povrchová úprava: strieborno sivý nano sprej.
Popis konštrukcie: Otočte o 90 stupňov pre otvorenie alebo uzamknutie.
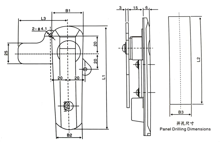
| MODEL | L1 | L2 | L3 | B1 | B2 | B3 |
| NOVÝ AB402-A | 123 | 95.5 | 65 | 36.5 | 30 | 23.5 |
| NOVÝ AB403-A | 91 | 62.5 | 65 | 33 | 28.5 | 23.5 |
| NOVÝ AB401-A | 151 | 117 | 72 | 36 | 30 | 26.5 |
